Termostatarmatur til kar og brus med sikkerhed og stabil temperatur
Dette termostatarmatur til badekar og bruser sikrer en stabil vandtemperatur, uanset om du tager et hurtigt brusebad eller fylder karret. Armaturet er væghængt og udført i blankt krom, som både er slidstærkt og nemt at holde rent. De to ergonomiske greb gør det let at justere både vandmængde og temperatur, selv med våde hænder.
Med Grohe TurboStat-teknologi får du præcis temperaturstyring, så du undgår pludselige udsving i temperaturen. SafeStop-funktionen begrænser temperaturen til 38°C og beskytter mod skoldning. For ekstra sikkerhed kan du aktivere SafeStop Plus, der sætter en øvre grænse på 43°C. Armaturet har også EcoJoy-teknologi, der reducerer vandforbruget uden at gå på kompromis med komforten.
Fordele ved termostatarmaturet
- Stabil temperatur: TurboStat-teknologi sikrer konstant vandtemperatur
- Skoldningsbeskyttelse: SafeStop ved 38°C og mulighed for ekstra begrænsning til 43°C
- Vandbesparelse: EcoJoy-funktion reducerer forbruget med op til 50%
- Nem betjening: Tydelige markeringer og ergonomiske greb
- Holdbar overflade: Blank kromfinish, der er let at rengøre
Praktiske funktioner til hverdagen
Armaturet har automatisk omstilling mellem kar- og brusefunktion, så du hurtigt kan skifte efter behov. Indbyggede kontraventiler og snavssamler beskytter mod tilbagestrømning og urenheder, hvilket sikrer en god vandkvalitet. Den keramiske overdel giver lang holdbarhed og præcis regulering.
Nem installation og klassisk design
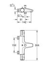
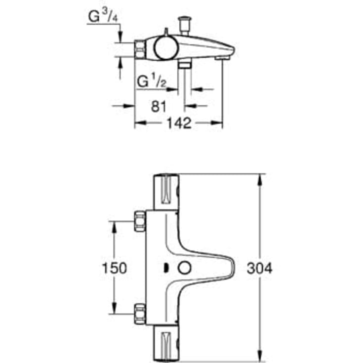
Med en centerafstand på 150 mm og standardtilslutninger passer armaturet til de fleste installationer. Designet er klassisk og matcher andre produkter i krom. Armaturet er et godt valg til dig, der ønsker en pålidelig og sikker løsning til både badekar og brus.
Få tryghed og komfort på badeværelset
Vælg dette termostatarmatur, hvis du vil have en løsning, der kombinerer sikkerhed, brugervenlighed og et tidløst udtryk. Produktet egner sig godt til børnefamilier og alle, der ønsker stabil temperatur og ekstra beskyttelse mod skoldning.
OBS: Produktet passer til vægmontering med 150 mm centerafstand og kræver standard tilslutning. Brusesæt og tilbehør medfølger ikke.









